无障碍
搜索
首页
政务公开
党建工作
办事服务
互动交流
首页
>
政务公开
>
政府信息公开
>
法定主动公开内容
>
政策解读
标 题:
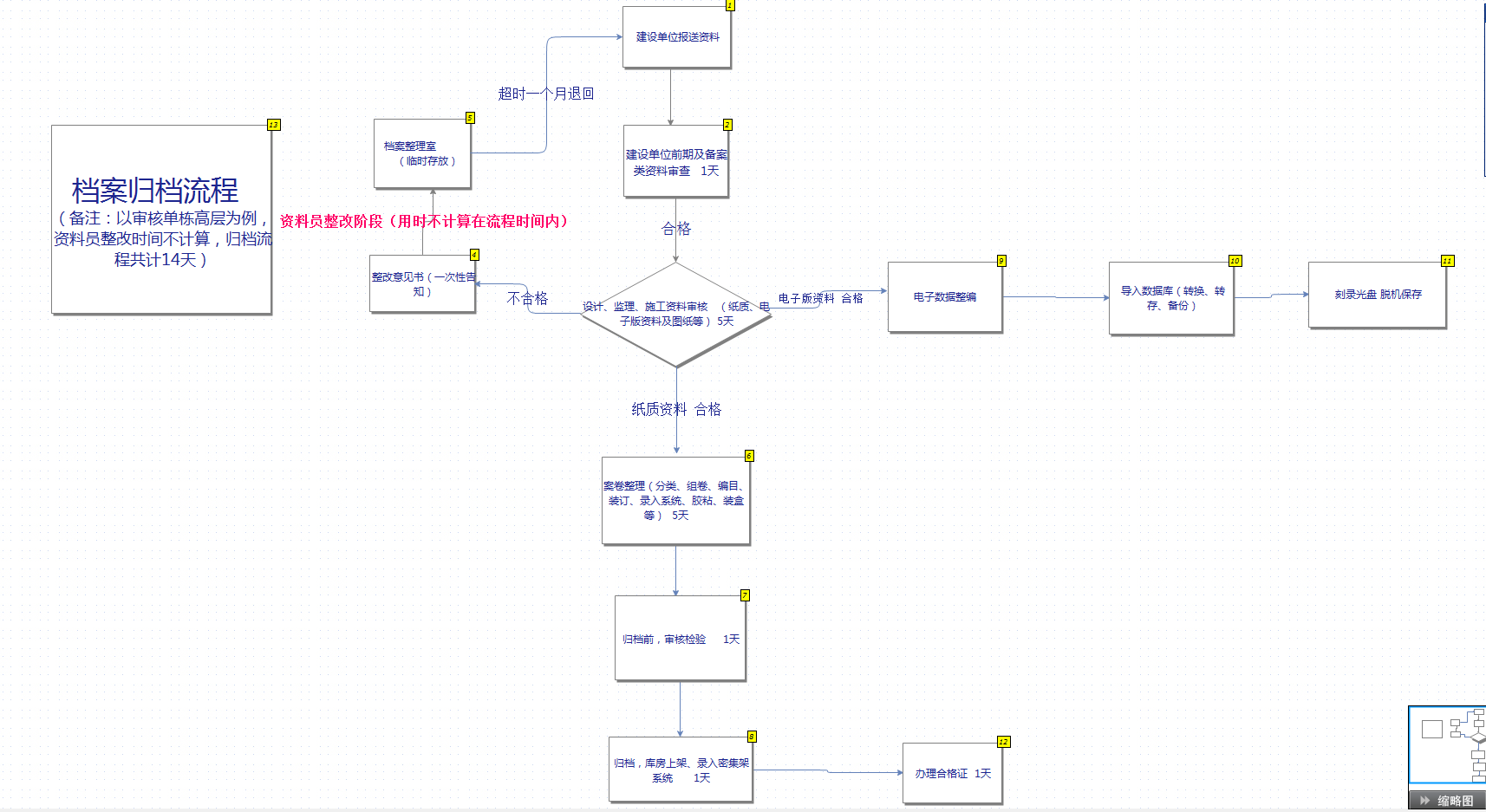
乌海市城建档案归档查询流程图
索 引 号:
111503000115546152/2020-03831
发文字号:
发文机构:
住房和城乡建设局
信息分类:
政策解读
概 述:
乌海市城建档案归档查询流程图
成文日期:
公开日期:
2020-11-17 16:12:00
废止日期:
有效性:
乌海市城建档案归档查询流程图
作者:住房和城乡建设局
来源:乌海市住房和城乡建设局
浏览次数:
打印
保存
关闭
档案查询流程.jpg
档案归档流程.png
上一条:
下一条:
政策原文